Kasalukuyang Transformer CT
Uri ng Sugat 5p10 5p20 Ct 100 150 400 5a
  • Uri ng Sugat 5p10 5p20 Ct 100 150 400 5aUri ng Sugat 5p10 5p20 Ct 100 150 400 5a

Uri ng Sugat 5p10 5p20 Ct 100 150 400 5a

Upang magbigay ng mataas na kalidad na mga potensyal na transformer at kasalukuyang mga transformer, sinusuportahan ng Wenzhou XiFa Electric Power Equipment Co., Ltd ang customized na serbisyo sa mga kliyente tulad ng paggawa at pagbibigay ng uri ng sugat 5p10 5p20 ct 100 150 400 5a. Sa WenZhou XiFa electric, pinapanatili ng producing team ang imbentaryo para sa regular na uri ng kasalukuyang transpormer, tulad ng 100/5a 10p10 0.5 kasalukuyang transpormer, upang matiyak ang mabilis na paghahatid. Gayunpaman, sinusuportahan ng kumpanya ang customized na serbisyo upang matugunan ang iba't ibang pangangailangan ng kuryente tulad ng supply current transformer kung saan ang klase ng proteksyon ay 5p10 o 5p20.

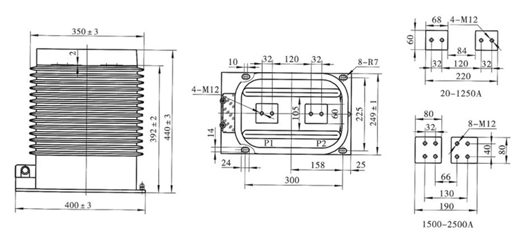
Ang kasalukuyang transformer ng uri ng sugat ay idinisenyo para sa maaasahang pagsukat ng kasalukuyang at proteksyon sa mga sistema ng kapangyarihan ng medium boltahe tulad ng 10kv 20kv at 35kv. Magagamit sa mga kasalukuyang ratio na 100/5A, 150/5A, at 400/5A, at may mga klase ng katumpakan ng proteksyon na 5P10 at 5P20, ang uri ng sugat na ito na 5p10 5p20 ct 100 150 400 5a ay nagbibigay ng tumpak na pangalawang kasalukuyang output na angkop para sa parehong pagsukat, pagsukat, pagsukat ng proteksiyon na relay meter.

Ginawa gamit ang solid magnetic cores at secondary coils, ang uri ng sugat na kasalukuyang transpormer ay nagsisiguro ng matatag na pagganap sa ilalim ng mga kondisyon ng short circuit at naghahatid ng tumpak na pagbabago sa kasalukuyang kahit na sa mga lumilipas na kaganapan. Ang matatag na insulation system nito, na kadalasang may kasamang epoxy o high grade resin, ay nagsisiguro ng kaligtasan, mahabang buhay ng serbisyo, at paglaban sa moisture at stress sa kapaligiran.

Ang disenyo ng uri ng sugat ay nagbibigay-daan sa flexible na pag-install sa switchgear, control panel, at distribution board, upang magbigay ng maaasahang suporta para sa mga scheme ng proteksyon ng relay. Ang kasalukuyang transformer ng uri ng sugat ay mainam para sa mga pang-industriyang planta, komersyal na pasilidad, at mga network ng pamamahagi ng utility kung saan ang tumpak at maaasahang kasalukuyang pagsukat ay mahalaga para sa parehong operational monitoring at protective control.

Wound Type 5p10 5p20 Ct 100 150 400 5a

Teknikal na Pagtutukoy:

Uri Pangunahing Rated Kasalukuyang (A) Klase ng Katumpakan Klase ng Katumpakan at Na-rate na Output cosΦ=0.8 Shory-Time thermal Current (kA/S) Na-rate na Dynamic na Kasalukuyang (kA)
0.2 (mga) 0.5 (mga) 10P10
LZZBJ9-35 20-100 0.2/0.2 0.2/0.5 0.2/5P20 0.5/5P20 0.2/0.5/5P 0.2/5P/5P 10 10 15 150I1n 375I1n
150-200 31.5 80
300-500 31.5/2 80
600-1250 15 30 20 31.5/4 80
1500-2000 20 40 30 40/4 125
2500 20 40 20 40/4 125


Uri Pangunahing Rated Kasalukuyang (A) Klase ng Katumpakan Kapasidad (VA) Shory-Time thermal Current (kA/S) Na-rate na Dynamic na Kasalukuyang (kA)
LZZBJ9-35 10 0.2/10P10 0.5/10P10 0.2/5P20 0.5/5P20 0.2/0.5/10P10 0.2/0.5/5P20 0.2/10P10/5P20 0.5/10P10/5P20 15/20 20/20 15/20 20/20 15/20/20 15/20/20 15/20/20 20/20/20 1.5/1 3.75
20 2/1 5
30 3/1 7.5
40 4/1 10
50 5/1 12.5
75 7.5/1 18.75
100 10/1 25
150 15/1 37.5
200 20/1 50
300 31.5/1 80
400 31.5/2 80
500 31.5/2 80
600 31.5/2 80
800 31.5/3 80
1000 31.5/3 80
1200 31.5/3 80
1500 31.5/3 80
2000 31.5/3 80

Wound Type 5p10 5p20 Ct 100 150 400 5a

FAQ ng Produkto:

Q: Ano ang ibig sabihin ng "wound-type 5P10" o "5P20" sa isang sugat na type 5p10 5p20 ct 100 150 400 5a?

A: Ang terminong "uri ng sugat" ay tumutukoy sa mga CT kung saan ang pangunahing konduktor ay isang sugat na paikot-ikot sa halip na isang busbar o bar sa core. Ang klase na 5P10 o 5P20 ay nagpapahiwatig ng katumpakan ng proteksyon: Ang 5P ay nangangahulugan ng hanggang 5% na error sa na-rate na pangalawang kasalukuyang, at ang numerong 10 o 20 ay ang maximum na pinahihintulutang short-time na multiple ng rated primary current nang hindi lalampas sa tinukoy na error.

Q: Paano ko pipiliin ang tamang CT rating para sa aking system?

A: Pumili ng CT batay sa maximum load current at mga kinakailangan sa proteksyon ng iyong system. Halimbawa, ang isang 100/5A CT ay angkop para sa mga circuit na may karaniwang mga agos sa paligid ng 100 A, habang ang 400/5A ay idinisenyo para sa mas mataas na kasalukuyang mga feeder. Pumili ng klase ng proteksyon (5P10 o 5P20) ayon sa sensitivity ng fault detection ng relay at sa inaasahang short circuit current.

T: Anong mga kondisyon sa kapaligiran ang maaaring hawakan ng uri ng sugat na 5p10 5p20 ct 100 150 400 5a?

A: Ang mga kasalukuyang transformer ng uri ng sugat na ito ay karaniwang na-rate para sa mga temperatura sa paligid mula -10 °C hanggang +40 °C, na may pinakamataas na altitude na 1000 m. Ang mga materyales sa pabahay at insulation system ay idinisenyo para sa moisture, dust, at pollution resistant operation, upang matiyak ang maaasahang pagganap ng proteksyon sa mga setting ng industriya at utility.




Mga Hot Tags: Uri ng Sugat 5p10 5p20 Ct 100 150 400 5a, Supplier ng Kasalukuyang Transformer, Bultuhang Mga Transformer sa Pagsukat
Magpadala ng Inquiry
Impormasyon sa Pakikipag-ugnayan

Para makuha ang iyong quotation sa lalong madaling panahon

XiFa-iyong maaasahang tagapagtustos ng mga de-koryenteng kagamitan
X
Gumagamit kami ng cookies para mag-alok sa iyo ng mas magandang karanasan sa pagba-browse, pag-aralan ang trapiko sa site at i-personalize ang content. Sa paggamit ng site na ito, sumasang-ayon ka sa aming paggamit ng cookies. Patakaran sa Privacy
Tanggihan Tanggapin