Potensyal na Transformer PT
13.8 Kv Single Phase Potential Transformer sa Substation
  • 13.8 Kv Single Phase Potential Transformer sa Substation13.8 Kv Single Phase Potential Transformer sa Substation

13.8 Kv Single Phase Potential Transformer sa Substation

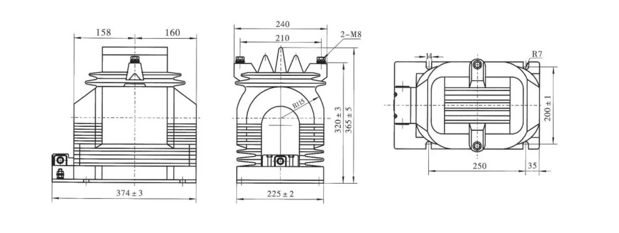
Upang makabuo ng maaasahang 13.8 kv single phase potential transformer sa substation, ang Wenzhou XiFa Electric Power Equipment Co., Ltd ay gumagamit ng premium na CRGO electrical steel bilang pangunahing materyal ng core upang mabawasan ang pagkawala ng halaga at mapabuti ang klase ng katumpakan, at mataas na lakas na enamelled na copper wire bilang pangunahing materyal ng coil upang matiyak ang turns ratio at turn to turn insulation sa pamamagitan ng precision winding. Higit pa, ang bawat 13.8 kv single phase potential transformer sa substation ay gumagamit ng proseso ng paggawa ng epoxy resin vacuum casting upang makagawa ng pangkalahatang solidified na istraktura na hindi madaling sumipsip ng moisture, na angkop para sa mainit, mahalumigmig at maalikabok na kapaligiran.

Mga Tampok ng Produkto:

Ang 13.8 Kv Single Phase Potential Transformer sa Substation ay idinisenyo upang pababain ang pangunahing boltahe ng 13.8 kv sa isang karaniwang pangalawang boltahe, tulad ng 100 o 110 volts. Ang pinababang boltahe ay pagkatapos ay ibinibigay sa parallel windings upang sukatin ang mga instrumento at proteksiyon na mga relay, na nagbibigay-daan sa mga pangunahing pagsukat ng boltahe na gawin nang hindi direkta gamit ang isang mababang boltahe na mga instrumento. Ang ganitong diskarte ay nagpapasimple sa disenyo ng instrumento, nakakatipid ng gastos, at nagsisiguro sa kaligtasan ng parehong kagamitan at mga tauhan sa pagpapatakbo.


Ang prinsipyo ng pagtatrabaho ng isang 13.8 kv single phase potensyal na transpormer ay kapareho ng isang power distribution transpormer, kung saan ang ratio ng pagbabago ay tinutukoy ng bilang ng mga liko sa pangunahin at pangalawang coils. Ang pagtaas ng bilang ng mga pangalawang pagliko ay binabawasan ang ratio, habang ang pagtaas ng bilang ng mga pangunahing pagliko ay nagpapataas nito. Mahalagang tandaan na sa anumang pagkakataon ay dapat na mai-short circuit ang pangalawang circuit ng isang 13.8 kv single phase potential transformer sa panahon ng operasyon.

13 8 Kv Single Phase Potential Transformer In Substation

Teknikal na Pagtutukoy:

Uri Na-rate na Ratio ng Boltahe (kV) Klase ng Katumpakan Klase ng Katumpakan at Na-rate na output cosΦ=0.8 Ang Max. Output (VA)
0.2 0.5 1 6(P)
JDZ11-15 (15/√3)/(0.1/√3)/(0.1/3) 0.2/6P 0.5/6P 1/6P 30 80 150 100 400
JDZ11-20 (20/√3)/(0.1/√3)/(0.1/3)
JDZ11-15 (15/√3)/(0.1/√3)/(0.1/√3)/(0.1/3) 0.2/0.2/6P 0.2/0.5/6P 15 20 N/A 100 2*200
JDZX11-20 (20/√3)/(0.1/√3)/(0.1/√3)/(0.1/3)

13 8 Kv Single Phase Potential Transformer In Substation

FAQ ng Produkto:

Q: Paano naiiba ang 13.8 kv single phase potential transformer sa 13.8 kv power transformer?

A: Bagama't pareho ang mga device na nagko-convert ng boltahe, ang isang 13.8 kv single phase na potensyal na transpormer ay idinisenyo para sa pagsukat at proteksyon sa halip na paglipat ng kuryente. Ang na-rate na pasanin nito ay medyo maliit, kadalasang ipinapahayag sa VA, samantalang ang mga power transformer ay humahawak ng mga load sa mas malaking halaga na binibilang sa kVA o MVA.


T: Anong mga paraan ng pagkakabukod ang ginagamit sa isang 13.8 kv single phase potential transformer?

A: Karamihanpotensyal na mga transformersa antas ng boltahe na ito gumamit ng epoxy resin cast insulation para sa panloob na serbisyo o porselana/silicone housing para sa mga panlabas na instalasyon. Ang ilang mga disenyo ay gumagamit ng oil immersed insulation upang makamit ang isang pinahabang buhay ng serbisyo at mas mataas na thermal capacity.


T: Paano dapat ikonekta ang isang 13.8 kV single phase potential transformer sa isang substation?

A: Para sa phase to ground measurement, ang PT primary ay konektado sa pagitan ng isang phase at ground. Sa isang three-phase system, maaaring gamitin ang isang set ng single phase PTs o tatlong phase PT unit para sukatin ang line to line at line to ground voltages.


T: Anong mga isyu ang maaaring lumitaw sa 13.8 kV na single phase na potensyal na mga transformer sa mga substation?

A: Kasama sa mga karaniwang problema ang pagkasira ng insulation, ferroresonance sa ilalim ng ilang partikular na kundisyon ng switching, sobrang pag-init dahil sa sobrang pagbigat, at mga kondisyong bukas ng pangalawang circuit na maaaring magdulot ng mapanganib na mataas na boltahe.



Mga Hot Tags: 13.8 Kv Single Phase Potential Transformer sa Substation Supplier, Substation Potential Transformer Wholesale
Magpadala ng Inquiry
Impormasyon sa Pakikipag-ugnayan

Para makuha ang iyong quotation sa lalong madaling panahon

XiFa-iyong maaasahang tagapagtustos ng mga de-koryenteng kagamitan
X
Gumagamit kami ng cookies para mag-alok sa iyo ng mas magandang karanasan sa pagba-browse, pag-aralan ang trapiko sa site at i-personalize ang content. Sa paggamit ng site na ito, sumasang-ayon ka sa aming paggamit ng cookies. Patakaran sa Privacy
Tanggihan Tanggapin